接口广告
摩熵化学
数据开放平台 数据库官网
小程序
打开微信扫一扫
首页 分子通 化学资讯 化学百科 反应查询 关于我们
请输入关键词

KEGG数据库使用指南(2)——数据分析与通路富集可视化

  • 生信工具
  • 富集分析
  • KEGG
唯思派 2025/10/08

在上期推文中,我们介绍了 KEGG 数据库的数据结构与检索方法,掌握了通路、基因、化合物等核心数据的获取方式。本期将聚焦 KEGG 的数据分析功能,教你如何将基因列表转化为生物学洞见,揭示基因背后的通路调控网络。

一、核心分析工具矩阵

KEGG 提供了从基因注释到通路可视化的完整工具链,无需复杂编程即可完成标准化分析流程。

1. 通路富集分析工具(KEGG Mapper)

KEGG Mapper 的 "Search & Color Pathway" 功能是最常用的分析模块。通过输入基因 / 蛋白列表,可实现:

  • 自动映射到相关通路并计算富集程度
  • 用颜色标记基因表达变化(红色上调 / 蓝色下调)
  • 支持物种特异性通路筛选(如 hsa 为人类,mmu 为小鼠)

操作关键步骤:先通过 UniProt 将基因名转换为 Entry ID,在输入框粘贴 ID 列表时需按 "基因 ID, 颜色代码" 格式排列,如 "P12345,red"。物种选择需与研究对象严格匹配,否则会导致映射率偏低。

2. 基因功能注释工具(BlastKOALA/GhostKOALA)

针对无参考基因组的物种或新基因,这两个工具可通过序列比对实现:

  • 快速注释基因的 KO 编号及功能分类
  • 支持批量提交 fasta 格式序列(最多 5000 条)
  • 输出结果包含 KO 分组、通路关联度评分

其中 GhostKOALA 速度更快,适合大规模基因组数据注释,而 BlastKOALA 精度更高,推荐用于中小型基因集分析。2025 年更新后,工具新增了病毒基因组的专属注释模块。

3. 通路可视化工具(Pathview 网页版)

作为经典 R 包 Pathview 的在线版本,该工具无需编程即可实现:

  • 多组学数据的通路整合展示(基因 + 代谢物)
  • 自动计算并标注基因表达差异倍数
  • 支持输出高清 SVG 格式通路图用于论文发表

与 KEGG Mapper 相比,Pathview 能同时展示连续型表达数据,更适合时间序列或剂量效应实验数据分析。

二、标准化分析流程实战

以 RNA-seq 差异基因数据为例,完整分析流程包括 ID 转换、富集计算和可视化三个核心步骤。

1. 数据预处理:ID 格式标准化

KEGG 分析对 ID 格式要求严格,需将基因名转换为官方认可的格式:

  • 人类基因推荐使用 Entrez ID 或 UniProt ID
  • 模式生物可直接使用基因符号(需确认物种匹配)
  • 转换工具推荐 UniProt 的 ID mapping 功能(设置参数为 "Gene name→UniProtKB→物种")

转换后需检查 ID 完整性,剔除无法匹配的基因(一般保留率应≥70%)。

2. 通路富集分析核心步骤

富集分析本质是通过超几何检验判断目标基因在特定通路中的分布是否具有统计学显著性。公式为:

P(X≥m) = 1-Σ(k=0 to m-1)[C(M,k)×C(N-M,n-k)/C(N,n)]

其中:

  • N:背景基因中具有 KEGG 注释的总基因数
  • n:目标差异基因总数
  • M:背景基因中注释到某通路的基因数
  • m:目标基因中注释到该通路的基因数

实操步骤:

1. 登录 KEGG Mapper 选择 "Search Pathway"

2. 输入转换后的基因 ID,选择对应物种(如 hsa)

3. 设置显著性阈值(推荐 qvalue≤0.05)

4. 执行分析获取富集结果表

3. 结果可视化方法

显著富集通路的展示常用两种图形:

  • 气泡图:横坐标为 GeneRatio(通路中差异基因占比),纵坐标为通路名称,点大小表示基因数,颜色表示 q 值(红色越显著)
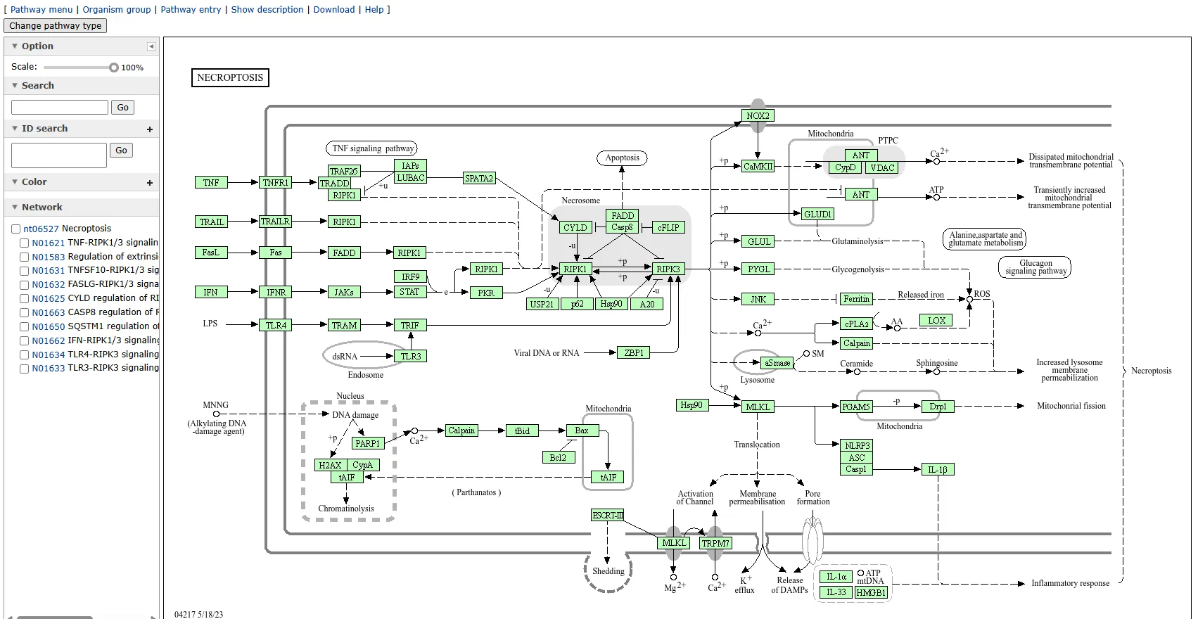
  • 通路着色图:在标准通路图上用颜色标记差异基因,直观展示通路激活或抑制状态

使用 Prism 绘图时,建议气泡图点大小范围设为 5-30,q 值颜色梯度分 5 级更易区分显著程度。

三、结果解读与进阶技巧

1. 富集结果关键指标解读

  • 富集因子(Rich factor):基因比率(m/n)与背景比率(M/N)的比值,反映富集程度
  • q 值:经多重检验校正后的 p 值,比原始 p 值更严格(q≤0.05 为显著富集)
  • 通路层级:注意区分全局通路(map 开头)与物种特异性通路(如 hsa 开头)

例如在肝癌研究中,若 hsa04110 细胞周期通路 q=0.002,包含 15 个差异基因,提示细胞增殖异常可能与肝癌发生密切相关。

2. 批量分析与编程接口

对于高通量数据,可通过 KEGG REST API 实现批量分析:

  • 获取物种通路列表:http://rest.kegg.jp/list/pathway/hsa
  • 批量注释基因 KO:http://rest.kegg.jp/link/ko/hsa:10458
  • 导出通路图片:http://rest.kegg.jp/get/hsa04110/image

R 语言用户可结合 clusterProfiler 包,一行代码实现富集分析:

3. 常见问题解决方案

  • 映射率低:检查 ID 格式是否正确,尝试多种 ID 类型转换
  • 无显著通路:扩大差异基因筛选阈值,或增加样本量
  • 通路重叠:利用 BRITE 数据库进行功能归类合并相似通路

四、分析结果的生物学解读原则

富集分析的最终目的是解释生物学现象,需注意:

1. 优先关注 q 值小且包含差异基因多的通路

2. 结合研究背景筛选通路(如癌症研究重点关注信号转导、代谢通路)

3. 注意通路间的相互作用(如 PI3K-AKT 与凋亡通路的交叉调控)

4. 验证关键基因的表达变化(避免单纯依赖生物信息学分析)

KEGG 数据分析功能将零散的基因数据转化为系统化的通路知识,是连接组学数据与生物学机制的关键桥梁。熟练掌握这些工具,能显著提升实验数据的解读效率。

下次内容我们将结合具体研究案例,展示 KEGG 分析如何应用于论文数据挖掘,教你写出更具深度的机制性讨论。

【免责声明】发布内容来源于互联网、业内人士投稿以及微信公众号等公开资源,我们对文中观点持中立态度,文中观点不代表本平台的立场。所有文章仅供读者参考和交流使用。转载的文章版权归原作者所有,如有侵权行为,请及时与我们联系以便删除。

<END>